欢迎来到昆山市恒力精工轴承有限公司网站!
联系我们

昆山市恒力精工轴承有限公司

联系人:张先生 

电话:13862667560

地址:昆山恒龙机电五金城5幢15号

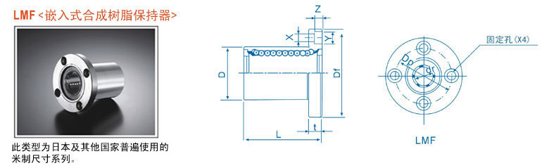
法兰盘式

65

产品名称: LMF

发布日期: 2019-12-23

点击数: 1586

询价: 点击产品询价

二维码:

产品详情

标准型号
主要尺寸和公差
(毫米)
偏心度
μm
垂直度
μm
基本额定载荷 
动载荷 静载荷
 CN       CoN
标准型号
标准型 密封型
球列数 重量
               g
Dr
         
公差
D
         
公差
L
       
公差
法兰
Df
t
Dp
X
Y
Z
LMF 6 LMF 6 UU
    24   
6   12        0 19 
28
5
20
3.5
6
3.1
12
12
206    265   
LMF 6
LMF 8S  LMF 8S UU
LMF 8  LMF 8 UU
LMF 10  LMF 10 UU
4     32   
4     37   
4     72   
8
8         0
10  -0.009
15  -0.013
15
19  
17
24
29
32
32
40
5
5
6
24
24
29
3.5
3.5
4.5
6
6
7.5
3.1
3.1
4.1
12
12
12
12
12
12
176    216   
274    392   
372    549   
LMF 8S
LMF 8
LMF 10
LMF 12 LMF 12 UU
LMF 13  LMF 13 UU
LMF 16  LMF 16 UU
4     76   
4     88   
5    120  
12
13
16 
21   0
23  -0.016
28 
30
32
37
42
43
48
6
6
6
32
33
38
4.5
4.5
4.5
7.5
7.5
7.5
4.1
4.1
4.1
12
12
12
12
12
12
510    784   
510    784   
774    1,180
LMF 12
LMF 13
LMF 16
LMF 20 LMF 20 UU
LMF 25  LMF 25 UU
LMF 30  LMF 30 UU
5     180  
6     340  
6     470  
20
25        0
30  -0.010 
32  
40     0
45  -0.019
42  ±0.3
59
64
54
62
74
8
8
10
43
51
60
5.5
5.5
6.6
9
9
11
5.1
5.1
6.1
15
15
15
15
15
15
882    1,370
980    1,570
1,570  2,740
LMF 20
LMF 25
LMF 30
LMF 35  LMF 35 UU
LMF 40  LMF 40 UU
LMF 50  LMF 50 UU
6      650 
6    1,060
6    2,200
35
40        0
50  -0.012 
52  
60   0
80  -0.022
70
80
100
82
96
116
10
13
13
67
78
98
6.6
9
9
11
14
14
6.1
8.1
8.1
20
20
20
20
20
20
1,670  3,140
2,160  4,020
3,820  7,940
LMF 35
LMF 40
LMF 50
LMF 60 LMF 60 UU
6    3,000
60        0
     -0.015
90  0
    -0.025
110 
134
18
112
11
17
11.1
25
25
4,700  10.000
LMF 60
SI 单位 1N=0.102 千克
联系人:张先生               联系方式:138-6266-7560               电话:0512-57368388               QQ:2881783770               邮箱:2881783770@qq.com
地 址: 昆山恒龙机电五金城5幢15号               网址:www.kshljg.com
版权所有:昆山市恒力精工轴承有限公司    技术支持:仕德伟科技    苏ICP备14030214号
138-6266-7560